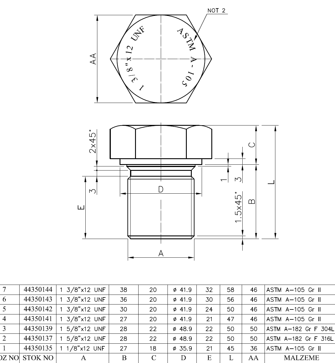
Screw Plug Stopper for Oil Refinery Processes
Used in order to block some tubes on heat exchangers.
Material ASTM A105 ASTM A350 LF2 Substitute,
AISI 1030 St52-3 AISI 1040
1.0715 9SMn28 11SMn30
1.0736 9SMn36 11SMn37 Materials can be applied
Substitute for NUOVO PIGNONE
